SMC replacement of MA25x25-S with magnetic pneumatic tool of small air cylinder
- Model:
- MA25*25-S
- MOQ:
- 1
- Place of Origin:
- China
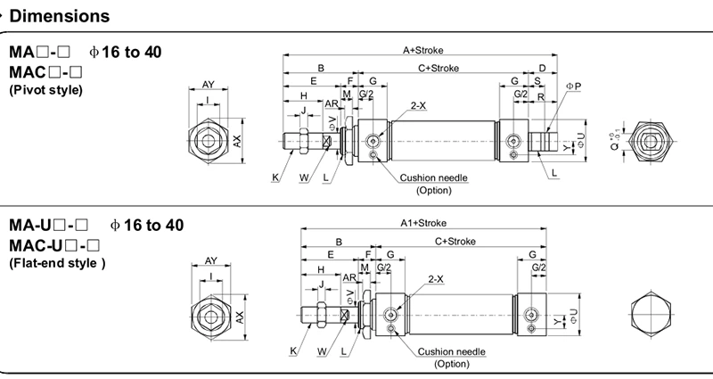
Various specifications of cylinder and cylinder mounting accessories are available for customers to choose.
hot Sale Pneumatic MA25*25 Stainless Steel Mini Cylinder
1.Product Introduction of the Pneumatic MA25*25 Stainless Steel Mini Cylinder
Ma stainless steel mini cylinder piston adopts opposite direction sealing structure, compact size and oil storage function. The front and rear covers are equipped with fixed anti-collision pads, which can reduce the reversing impact of the cylinder. A variety of back cover forms make the cylinder installation convenient. The front and rear cover of stainless steel mini cylinder and stainless steel cylinder body adopt riveting rolling package structure, and the connection is reliable. The cylinder body is made of high-precision stainless steel pipe with high strength and corrosion resistance.
2.Product Parameter(Specification)of the Pneumatic MA25*25 Stainless Steel Mini Cylinder.


Products
- Sensor
-
- Inductive proximity switch
- Capacitive Proximity Sensor
- Ultrasonic Sensor
- Photoelectric Sensor
- Mirror Reflector
- Safety Light Curtains
- Color Mark Sensor
- Fiber Optic Amplifier
- Sensor connector
- HOKUYO Sensor
- Autonics Sensor
- Hall sensor
- Load cell sensor
- Magnetostrictive Position Sensors
- Temperature Sensor
- Rotary Encoder
- Programmable Logic Controller (PLC)
- HMI and Text Panel
- Pneumatic Products
- Slip ring
- New Energy System
- Switch
- Cable Gland
- Fuse
- Socket
- Solid State Relay (SSR)
- Counter
- Switching power supply
- Terminal Blocks
- Warning light
- Pump
- Metal Push Button
- Temperature Controller
- Contactor
- Voltage Meter
- Other Products
- Pneumatic Fittings
- Air Cylinder
- Pneumatic Valve
- Air Tube
- Pneumatic Dust Gun
- Air Source Treatment
- FESTO Pneumatic










