ECN13 HEIDENHAIN Safety Digital Data Transfer Rotary Encoder with Anti-rotation Element
- Model:
- ECN1313204862S12-78
- Brand:
- HEIDENHAIN
Application
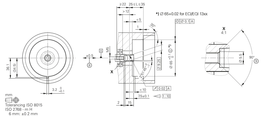
• 07B stator coupling with anti-rotation element for axial mounting
• 65B taper shaft
• Encoders available with functional safety
• Fault exclusion for rotor and stator coupling as per EN 61 800-5-2 possible
Technical Specifications
| ECN1313 | Interface | Ordering designation | Position values/revolution | Elec. permissible speed/Deviations | Line count | Cutoff frequency –3 dB | Voltage supply |
| EnDat 2.2 |
EnDat01 | 8192 (13 bits) | 512 lines: 5000 rpm/±1 LSB 12 000 rpm/±100 LSB 2048 lines: 1500 rpm/±1 LSB 12 000 rpm/±50 LSB | 512 2048 | 2048 lines:≥400 kHz 512 lines:≥130 kHz | DC 3.6 V to 14 V | |
| Power consumption (max.) | Current consumption (typical) | Mech. permiss. speed n | Starting torque | Max. operating temp. | Min. operating temp. | Mass | |
| 3.6V:≥0.6W 14V:≥0.7W | 5V:85mA (without load) | ≤15000rpm | ≤0.01Nm(at20°C) | 115°C | –40°C | 0.25 kg |
Dimensions(mm)











