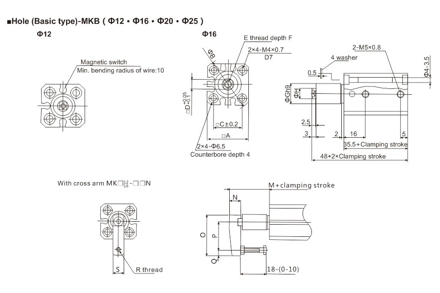
Overview for MK Rotary Actuator
MK Rotary Actuator have standard type (MK) and heavy-duty type (MK2), heavy-duty type (MK2) can bear greater rotational inertia than the standard type (MK) when the bores are same.
Heavy-duty type MK2 Rotary Clamp Cylinder (Bore φ20~φ63) can bear greater rotational inertia when the bores are same.
Attention should be paid to the following aspects when using MK Rotary Actuator:
1) The Rotary Air Cylinder must be installed vertically and must not be used horizontally. (Please use MK2T Series for the horizontal direction.)
2) The work ing the direction of rotation, including clamping and limiting devices, must not be carried out.
3) No clamping is allowed in the rotation stroke, that is, clamping must be carried out within the clamping stroke (linear stroke).
4) The clamping surface of the workpiece must be perpendicular to the MK-Z Rotary Clamp Cylinder axis, i.e., do not clamp the inclined plane.









Products
- Sensor
-
- Inductive proximity switch
- Capacitive Proximity Sensor
- Ultrasonic Sensor
- Photoelectric Sensor
- Mirror Reflector
- Safety Light Curtains
- Color Mark Sensor
- Fiber Optic Amplifier
- Sensor connector
- HOKUYO Sensor
- Autonics Sensor
- Hall sensor
- Load cell sensor
- Magnetostrictive Position Sensors
- Temperature Sensor
- Rotary Encoder
- Programmable Logic Controller (PLC)
- HMI and Text Panel
- Pneumatic Products
- Slip ring
- New Energy System
- Switch
- Cable Gland
- Fuse
- Socket
- Solid State Relay (SSR)
- Counter
- Switching power supply
- Terminal Blocks
- Warning light
- Pump
- Metal Push Button
- Temperature Controller
- Contactor
- Voltage Meter
- Other Products
- Pneumatic Fittings
- Air Cylinder
- Pneumatic Valve
- Air Tube
- Pneumatic Dust Gun
- Air Source Treatment
- FESTO Pneumatic











