Overview for CY1L Rodless Air Cylinder
1. CY1L Rodless Pneumatic Cylinder has no rigid piston rod of ordinary cylinder, it uses piston to realize reciprocating movement directly or indirectly. The advantage of this kind of cylinder is to save installation space, especially suitable for occasions with small bore and long stroke.
2. The CY1L Linear Guides Actuator mainly includes mechanical contact cylinder, magnetic coupling cylinder, rope cylinder and steel belt cylinder. The first two kinds of rod less cylinders have been widely applied in pneumatic automation systems and pneumatic robots. Generally speaking, the mechanical coupling rodless cylinder is referred to as the rodless cylinder, and the magnetic coupling cylinder is referred to as the magnetic cylinder.
3. The working principle of CY1L Linear Guides Actuator: A set of high-strength magnetic permanent magnet rings is mounted on the piston. The magnetic force line acts on another set of magnetic rings sleeved outside through the thin-walled cylinder. Because the two sets of magnetic rings have opposite magnetism, they have strong suction force. When the piston is pushed by air pressure in the cylinder, the magnetic ring sleeve outside the cylinder is driven to move together under the action of magnetic force. The thrust of the cylinder piston must be compatible with the suction of the magnetic ring.
Technical Parameters for CY1L Rodless Air Cylinder
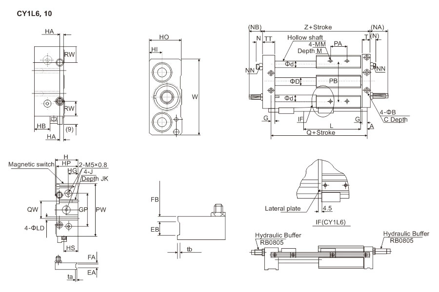
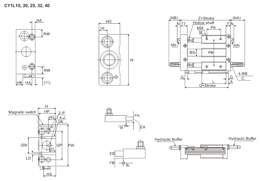
CY1L Linear Guides Actuator Bore Sizes: 6,10,15,20,25,32,40
CY1L Linear Guides Actuator Stroke Lengths: 50,100,150,200,250,300,400,500,600,700,800,900,1000,1500mm
Operating Pressure: 0.18-0.7 MPa
Speed: 50-1000mm/s;
Working Environment Temperature: -10 to 60°C
Characteristics of CY1L Rodless Air Cylinder
1. Built-in magnetic ring type, can be operated with magnetic switch.
2. The magnet has high retention.












