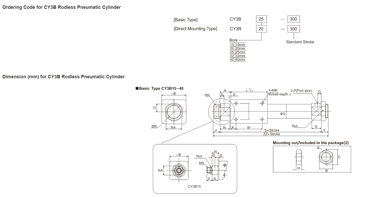
Brief Introduction for CY3B Rodless Pneumatic Cylinder
CY3B Magnetically Coupled Rodless Pneumatic Cylinder can directly install the load, large retention force; light weight, simple structure, small occupied space; large stroke range, the maximum stroke larger than ordinary cylinder; There is no mechanical connection between the piston and the slider, and the sealing performance is excellent; The piston movement is transmitted to the external slider by magnetic coupling force, without piston rod, and the installation space is less than that of the ordinary cylinder; Magnetically Coupled Rodless Cylinder Both ends of the cylinder are equipped with adjustable buffer and fixed buffer, the reversing action is smooth and no impact, and mechanical damage is avoided; The piston chamber is separated from the slider to prevent dust and dirt from entering the system, and prolongs the life of the cylinder.
The moving body outside the cylinder body is moved synchronously by magnetic force. Magnetically Coupled Rodless Cylinder working principle is: A set of high-strength magnetic permanent magnet rings is mounted on the piston. The magnetic force line acts on another set of magnetic rings sleeved outside through the thin-walled cylinder. Because the two sets of magnetic rings have opposite magnetism, they have strong suction force. When the piston is pushed by air pressure in the cylinder, the magnetic ring sleeve outside the cylinder is driven to move together under the action of magnetic force. The thrust of the cylinder piston must be compatible with the suction of the magnetic ring.
Brief Introduction for CY3R Rodless Air Cylinder
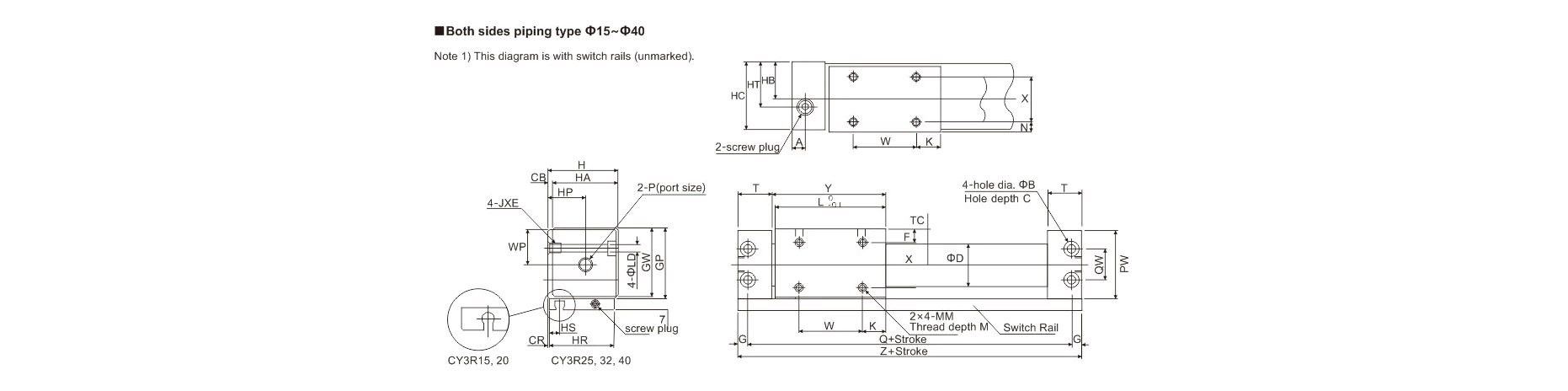
CY3R Rodless Air Cylinder: Directly mounted rodless cylinder, can directly install the load; Compact size; The cylinder does not rotate within the load range; slide table for cylinder fixing; The buffer can be installed, and the reversing action is stable without impact; The wear-resistant ring with special resin has better lubricity and durability.
Product Features for CY3B Rodless Pneumatic Cylinder
1. Wear ring is increased by 70% than the J-CY1B Linear Guides Actuator, so the shaft capacity is improved.
2. Resin wear ring with special resin, its lubrication performance is improved, so the durability increases.
3. Use special dust ring, the minimum operating pressure can be reduced by 30%.
4. The mounting dimensions are the same as the J-CY1B/R Linear Guides Actuator.
Technical Parameters for CY3B/R Rodless Air Cylinder
Bore sizes: 15,20, 25, 32, 40, 50
Stroke lengths: 100, 150, 200, 250, 300, 350, 400, 450, 500, 600, 700, 800, 900, 1000mmOperating Pressure: 0.16-0.7 MPaSpeed: 50 - 500 mm/s
Working Environment Temperature: -10 to 60C










