SICK color mark sensor KT6W-2P5116
-
FEATURES
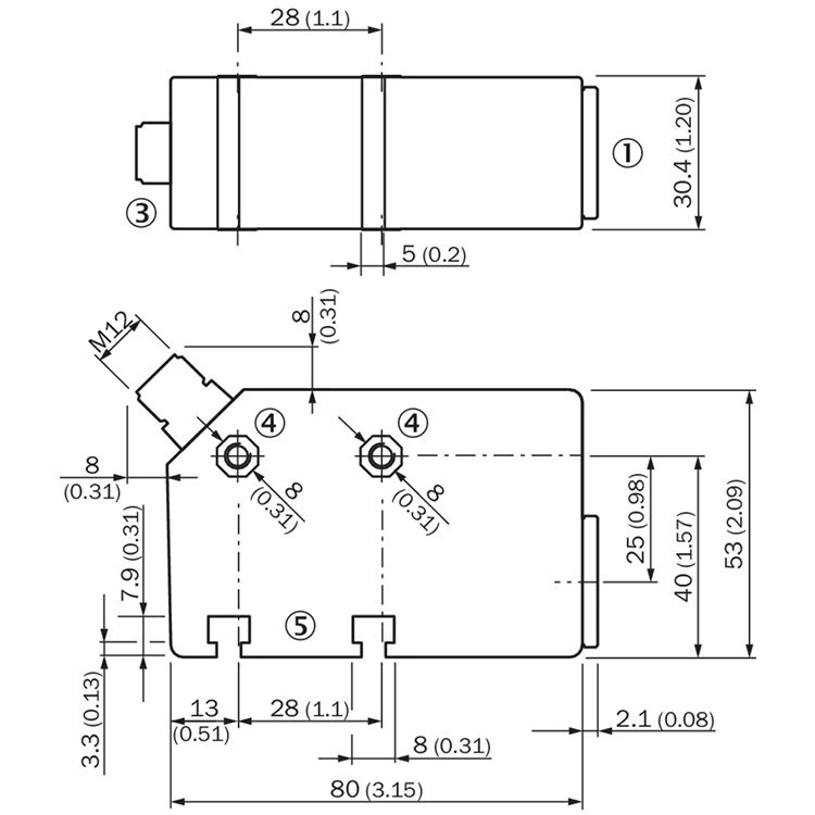
Dimensions (W x H x D) 30.4 mm x 53 mm x 80 mm Sensing distance 10 mm Housing design (light emission) Rectangular Sensing distance tolerance ± 3 mm Light source LED, RGB 1) Wave length 640 nm, 525 nm, 470 nm Light emission Short device side Light spot size 1.5 mm x 6.5 mm Light spot direction Vertical 2) Adjustment Teach-in button Teach-in mode Static 2-point teach-in -
1) Average service life: 100,000 h at TU = +25 °C.
-
2) In relation to long side of housing.
-
-
MECHANICS/ELECTRONICS
Supply voltage 10 V DC ... 30 V DC 1) Ripple ≤ 5 Vpp 2) Power consumption < 40 mA 3) Switching frequency 5 kHz 4) Response time 100 µs Output type PNP Switching output (voltage) PNP: HIGH = VS- ≤ 2 V / LOW approx. 0 V Output current Imax. 100 mA Retention time (ET) 25 ms, non-volatile memory Connection type Male connector M12, 4-pin Protection class II 5) Circuit protection UV connections, reverse polarity protected Output Q short-circuit protected Interference pulse suppression Enclosure rating IP 67 Weight 400 g Housing material Zinc diecast -
1) Limit values when operated in short-circuit protected network: max. 8 A.
-
2) May not exceed or fall below Uv tolerances.
-
3) Without load.
-
4) With light/dark ratio 1:1.
-
5) Reference voltage DC 32 V.
-
-
AMBIENT DATA
Ambient operating temperature -10 °C ... +55 °C Ambient storage temperature -25 °C ... +75 °C Shock load According to IEC 60068















