IHA3806 Hollow Shaft 6mm Line Drive Output full hollow encoder
- Model:
- IHA3806-001G-1000-ABZ1-5L
IHA3806 Hollow shaft 6mm Line drive output full hollow encoder
Product description
Application:
Automatic control, measurements, robotic X-Y labor and printing machines.
Features:
High reliability, long life, strong anti-interference ability and wide range of temperature adaption.
| Model NO. | IHA3806-001G-1000-ABZ1-5L |
| Supply Voltage | 5VDC |
| Output form | Line driver |
| Output singal | ABZ, A-B-Z-Phase |
| Pulses | 1000P/R |
| Cable lead out | Cable lead out at side |
| Protection class | IP51 |
| Width of Z signal | TZ=1T |
Ordering Information:

Technical Specifications:
| Electrical Specification | ||||
| Output circuit | Open collector | Voltage output | Push pull output | Line driver output |
| Power Vcc | 5~30 | 5~30 | 5±0.25 5~30 | 5±0.25 5~30 |
| Current | ≤80mA | ≤80mA | ≤80mA | ≤150mA |
| Load current | 40mA | 40mA | 40mA | 60mA |
| High-level output | Min Vcc*70% | Min Vcc-2.5V | Min Vcc-1.5V | Min 3.4V |
| Low-level output | Max 0.4V | Max 0.4V | Max 0.8V | Max 0.4V |
| Rise Time Tr | Max 1us | Max 1us | Max 1us | Max 200ns |
| Fall Time Tr | Max 1us | Max 1us | Max 1us | Max 200ns |
| Max Responding Frequency | 300kHz | 300kHz | 300kHz | 300kHz |
| Mechanical Specification | ||||
| Max speed(r/min) | Starting Torque | Max. Shaft Loading | Shocking | Vibration |
| 6000 | <0.05Nm | Radial:50N, Axial:20N | 50G/11-ms | 10G 10-2000Hz |
| Rotor Inertia | Working Temperature | Storage Temperature | Protection Grade | Weight |
| 4*10-8Kgm2 | -30~85℃ | -35~95℃ | IP51 | 100g |
Output Phase Shift:
![]() |
Wave Ratio: a+b=0.5T±0.1T C+d=0.5T±0.1T Z signal Width: Tz=1T±0.5T A,B phase absolute angle deviation ≤0.2T |
Periodic Deviation ≤0.05T T=360°/N (N is the exact number of impulse of each spin ) |
Connection Table:
| Signal | A | B | Z | A(-) | B(-) | Z(-) | Vcc | GND |
| Color | Green | White | Yellow | Brown | Gray | Orange | Red | Black |
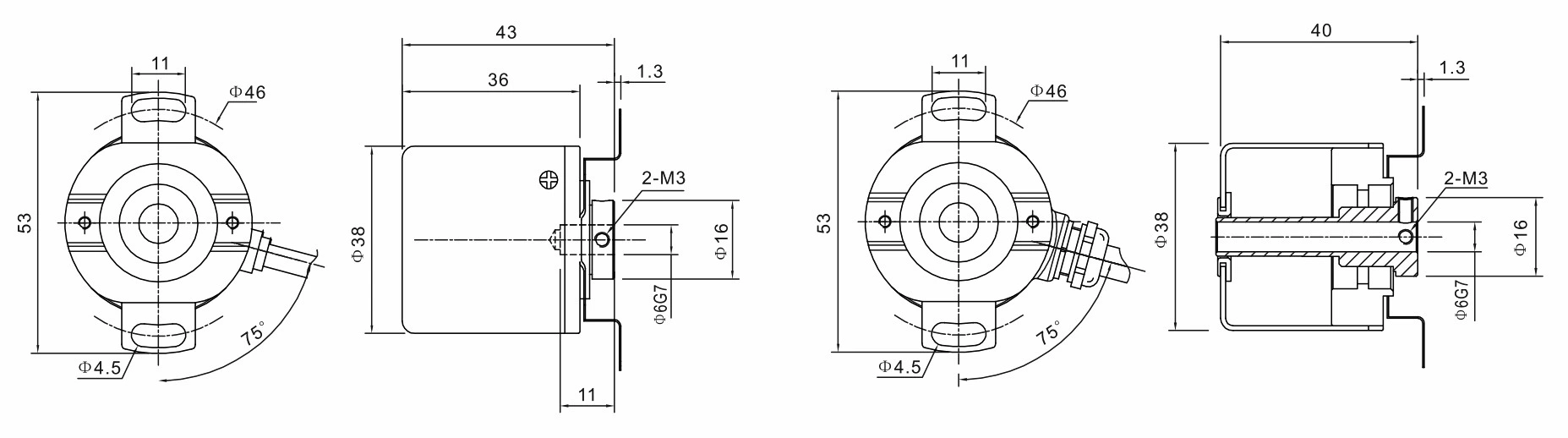
Dimensions(mm):

Product pictures

















