
Note
1, Please contact sales representative to confirm the correctness and availability of the part number
2, Line Driver is only available with 5V DC
3, Resolutions in grey background are NOT available with index width 1T
Feature
●ASIC devices internal, good reliability, long life, anti-jamming performance.
●Stainless steel shaft has a higher stability and protection.
●Metal shell is more solid and anti-impact.
●Outlet end use waterproof metal interface protection
●Bearing load heavy, anti-oil and water.
●Applicability to a wide variety of mechanical and industrial control.
●Resolution up to 5400 pulse.
●10 ~ 5400 pulses Optional: (Other pulses available on request)
Technical Specifications
| Parameter | Value | Note |
| Supply Voltage | DC5V / 7~24V (±10%) | Max. response frequency is gated by max. rotation speed |
| Max. Response Frequency | 150 kHz | |
| Max. Rotation Speed (*1) | 3000 rpm | |
| Max. Current Consumption | 120mA (Unloaded) | |
| Max. Rise-Fall Time | 200ns (Line Driver) | |
| Max. Rise-Fall Time | 1us (Other Output Mode) | |
| Operating Temperature | -20 ~ 85° C (unfrozen) | |
| Storage Temperature | -20 ~ 85° C (unfrozen) | |
| IP Rating | IP54 | |
Connection Table
| Color of lead Wire | GN | WH | YE | RD | BK | Shield | BN | GY | OG |
| Output-Line Driver | A+ | B+ | Z+ | Vcc | 0V | NC | A- | B- | Z- |
| Output-Other Output | A | B | Z | Vcc | 0V | NC | n/a | n/a | n/a |
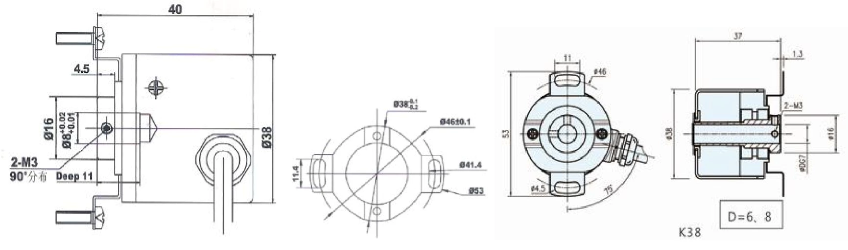
◆Diamensios

◆Output Waveform
















