LR-D19L25 6*6 Hole Diameter Thread Type Flexible Shaft Rotary Encoder Clamp Elastic Coupling
- Model:
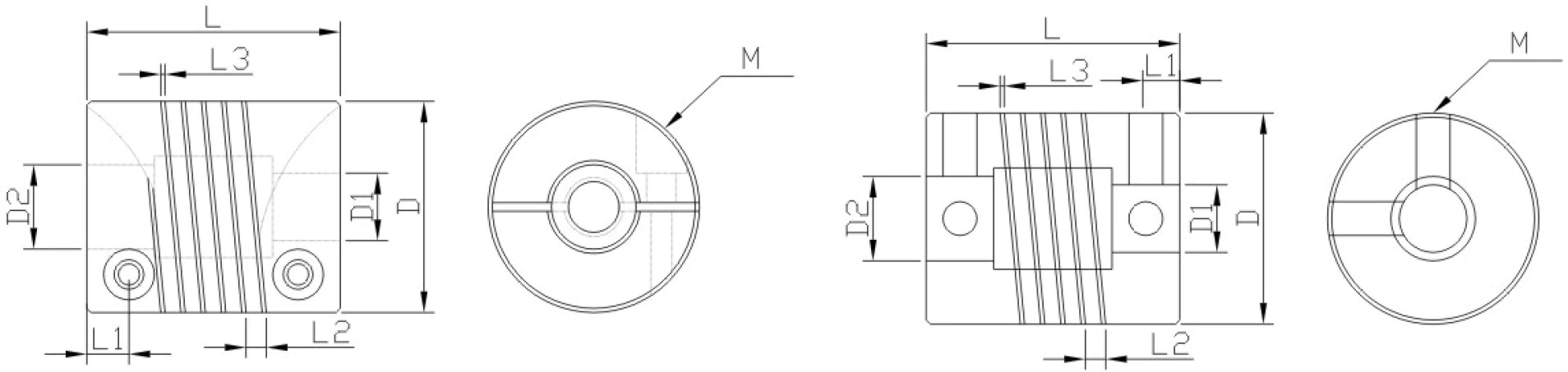
- LR-D19L25 6*6
Product characteristics
-
industrial motor shaft couplings;
-
Large parallel misalignment capacity;
-
High torque capacity;
-
Large shaft diameters;
-
Keyways available.
Product size

Size control table
| Proiect type | D (mm) | L (mm) | D1-D2 (mm) | M (mm) | L1 (mm) | L2 (mm) | L3 (mm) | Screw tightening torque(n.m) |
| LR-D-D15L20 | 15 | 20 | 3-8 | M3.0 | 2.5 | 2 | 0.4 | 1.2 |
| LR-D-D19L25 | 19 | 25 | 6-10 | M3.0 | 3 | 2 | 0.4 | 1.2 |
| LR-D-D25L30 | 25 | 30 | 8-12 | M4.0 | 4 | 2 | 0.4 | 2.5 |
| LR-D-D30L35 | 30 | 35 | 8-18 | M4.0 | 4 | 2.5 | 0.5 | 2.5 |
| LR-D-D35L40 | 35 | 40 | 8-22 | M5.0 | 5 | 2.5 | 0.5 | 5 |
| LR-D-D40L45 | 40 | 45 | 10-28 | M6.0 | 6 | 3.5 | 0.6 | 8 |
Technical parameter
| Proiect type | Maximum shaft hole (mm) | Rated torque (n.m) | Maximum torque (n.m) | Maximum speed (rpm) | Moment of inertia (Kg.m²) | Allow eccentricity (mm) | Allowable declination (°) |
| LR-D-D15L20 | 8 | 0.5 | 1 | 30000 | 2.5*10-7 | 0.05 | 0.5 |
| LR-D-D19L25 | 10 | 1 | 2 | 25000 | 5.8*10-7 | 0.05 | 0.5 |
| LR-D-D25L30 | 12 | 1.5 | 3 | 18000 | 1.8*10-6 | 0.05 | 0.5 |
| LR-D-D30L35 | 18 | 2 | 4 | 16000 | 4.7*10-6 | 0.05 | 0.5 |
| LR-D-D35L40 | 22 | 3 | 6 | 14000 | 1.1*10-5 | 0.05 | 0.5 |
| LR-D-D40L45 | 28 | 6 | 12 | 12000 | 2.3*10-5 | 0.05 | 0.5 |









