Rievtech Micro PLC Economic Type Programmable Relay PR-24DC-DA-R Mini PLC with Non-expandable
- Model:
- PR-24DC-DA-R
- Brand:
- RIEVTECH
Programmable Relay PR-24 Series (Economic Range) Overview
Economy PR-24 range is the entry level model of xLogic Micro PLC family, able to process up to 64
function blocks in a single program, also is the perfect maintenance product, and yet can adequately
control a new process from the start. Economy PR-12 Series is capable of replacing many of the discrete
components(such as multiple timers, relays, contactors and counters etc) used in conventional systems,
opening up a whole new range of possibilities for economical simple control solutions. Economy
PR-24 Series exclude expansion feature , NO keypad panel , NO PWM output & High Speed pulse
counting capabilities, but analog inputs also are available, clock with calendar, counters , timers, and
available in 120/240VAC or 12V/24VDC versions,Easy to configure with drag-and-drop function blocksusing FREE xLogicSoft software.
| Model | Supply volt | Inputs | Outputs | HMI | RTC | G.W(G) |
| PR-24AC-R-E | AV110-AC240V | 8 DI | 4 relays(10A) | NO | YES | 300 |
| PR-24DC-DA-R-E | DC12V-DC24V | 4 DI/AI(I1-I4) + 4 DI (I5-I8) | 4 relays(10A) | NO | YES | 300 |
GENERAL SPECIFICATIONS
Timers : 1024
Counters : 1024
Function Blocks: 1024
Operation temp.: -20℃-55℃
Storage:-40℃-70℃
Protection: IP20(Non-waterproof)
RTC accuracy : MAX ±2S/day
RTC Backup at 25 °C: 20 days
Program and settings Backup :10 years
Data Power-off retentivity: 10 years
Modify parameters via keypad LCD: yes
Dimensions: 133*90*61(Unit:mm)
Certificate: CE Installation: 35-DIN rail or screw for installation
Expansion capacity: 16 modules (PR-E-16)
Password protection : 4-digit number password protection or disable program upload function
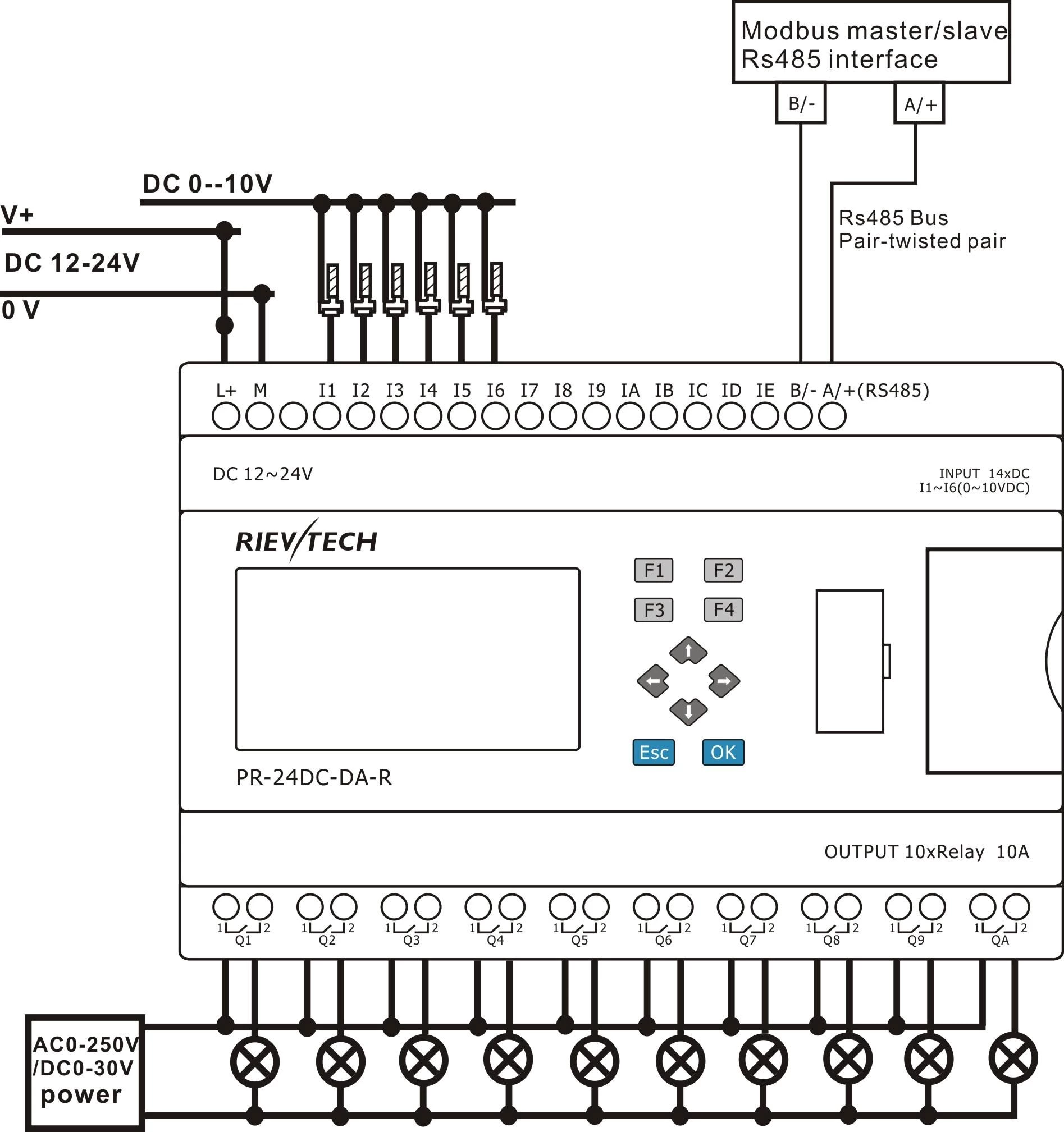
Communication interface : 1 RS232 port & 2 RS485 port
Communication protocol : Modbus RTU/ASCII
Technical Index
| Power supply: | |
| Nominal voltage | DC 12-24V |
| Operating limits | DC 10.8-28.8V |
| Immunity from micro power cuts | Typ.5 ms |
| Max. Startup current | Max. 0.25A |
| Max. absorbed power | 3.5 W (10.8V dc) ; 4 W (28.8V dc) |
| Protection against polarity inversions | Yes |
| Input parameters: | |
| Input No | 14 ( I1-IE ) |
| Digital input | 14 ( I1-IE ) |
| Analogue input | 6 ( I1-I6)(0..10V DC) |
| Digital inputs( I5-I8 ) | |
| Input voltage | DC0-28.8V |
| Input signal0 | < 5V DC; <1mA |
| Input signal1 | > 8 V DC;>1.7mA |
| Input current |
2.3mA @ 10.8V dc 2.6mA @ 12.0 V dc 5.2 mA @ 24 V dc 6.3 mA @ 28.8 V dc |
| Response time | 0 to 1 :<1 ms ;1 to 0 :<1 ms |
| Maximum counting frequency | 60k Hz(I9--IC) |
| Sensor type | Contact or 3-wire PNP |
| Input type | Resistive |
| Isolation between power supply and inputs | None |
| Isolation between inputs | None |
| Inputs used as digital inputs( I1-I4 ) | |
| Input voltage | DC0-28.8V |
| Input signal0 | < 5V DC;<0.1mA |
| Input signal1 | > 8 V DC;>0.3mA |
| Input current |
0.4mA @ 10.8V dc 0.5mA @ 12.0 V dc 1.2mA @ 24 V dc 1.5mA @ 28.8 V dc |
| Response time | 0 to 1 :Typ. 1.5 ms ;1 to 0 :Typ. 1.5 ms |
| Maximum counting frequency | Typ.:4 HZ |
| Sensor type | Contact or 3-wire PNP |
| Input type | Resistive |
| Isolation between power supply and inputs | None |
| Isolation between inputs | None |
| Inputs used as analog inputs( I1-I6 ) | |
| Measurement range | DC 0---10V |
| Input impedance | Min, 24KΩ ; Max. 72KΩ |
| Input voltage | 28.8 V DC max |
| Resolution | 10bit ,0.01V |
| Accuracy at 25 °C | ± (Max.0.02)V |
| Accuracy at 55 °C | ± (Max.0.04)V |
| Isolation between analog channel and power supply | None |
| Cable length | 10 m max. shielded and twisted |
| Output parameters: | |
| Output No. | 10 (Q1-QA) |
| Output type | Relay output |
| Max. Allowable Power Force(Resistive) |
CE: 10A,250V AC/DC30V UL/CUL: 10A,250V AC; 5A,DC28V |
| Electrical durability Expectancy | 105 Operations at Rated Resistive Load |
| Mechanical life | 107 Operations at No Load condition |
| Response time |
Operate Time : 15 mSec. Max. Release Time : 10 mSec. Max. |
| Built-in protections |
Against short-circuits: None Against overvoltages and overloads: None |
| Switch frequency: | |
| Mechanism | 10Hz |
| Resistor/light load | 2Hz |
| Sensitive load | 0.5Hz |
| Other parameters: | |
| Weight | Approx.500g |
Installation Dimensions & Wiring Diagram

Input&Output












