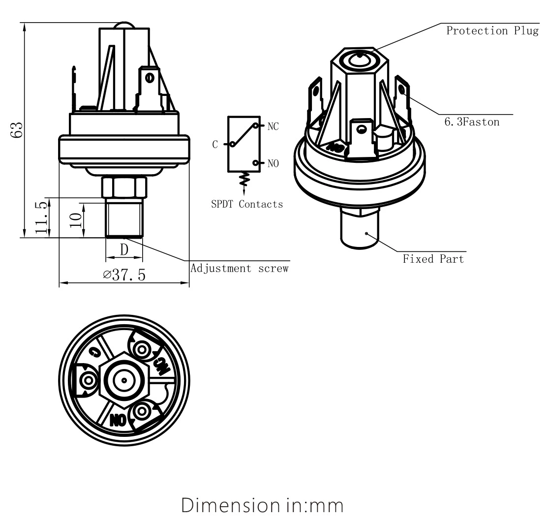
LF20V -600mbar~-300mbar adjustable vacuum pressure switch
LF20-V vacuum switch is specifically designed to stand up to extended duty applications. This switch is factory set. It features a fluorosilicone rubber diaphragm for compatibility with a wide variety of fluids, and various terminations including a Metri-Pack connector that forms a tight seal when connected. Among the outstanding design benefits are its durable construction, compact size, and enhanced set point integrity.
| Number | Pressure Set Point Range | Circuitry | Base Material | Connection | Terminals | Cover |
| 0 | / | / | / | / | / | none |
| 1 | 1.1-3 "Hg(15-41"H20)+0.5"Hg | B SPST-NC | C barss | D1/8NPT | E 1/4 blade | F cover A |
| 2 | 4-8"Hg±1'Hg | SPST-NO | plated steel | 1/4NPT | #8-32screws | coverB |
| 3 | 9-17"Hg±2"Hg | / | stainless steel | R1/8 | wire leads | / |
| 4 | A 18-22"Hg±3"Hg | / | / | R1/4 | / | / |
| 5 | / | / | / | G1/8 | / | / |
| 6 | / | / | / | G1/4 | / | / |
Specification
| Model | LF20-V |
| Media | Air |
| Pressure Set Point | Factory set from 1.1 to 22 in/Hg vacuum |
| Max Operating Pressure | 30 in/Hg vacuum |
| Burst Pressure | 150 psi |
| Opeating Temperature Range | -40℃ to +120℃ |
| Switch Type | Direct action,blade contact |
| Electric Rating | Resistive : 15AMP-6VDC,8AMP-12VDC,4AMP-24VDC |
| Inductive : 1AMP-120VAC,0.5AMP-240VAC | |
| Contact Arrangement | SPST-NONC |
| Terminal | #8-32 screws,1/4" blade,Metri- Pack |
| Connection | 1/8*NPT Male, 1/4'NPT Male,G1/8 Male,G1/4'Male |
| Material | Contact.Silver lloygold plated; Base:Plated Steel ; Cover:Glaee reinforced polyester ;Diaphragm:Fluorosilicone elastomer |
| Options | Various base connector sizes,wire leads(potted & sealed) |
| Conversion:1kgf/cm²=14.2psi 1bar=14.5psi 1 in/Hg=0.49psi | |










