LFS-03 can be is applied to detection positive or negative pressure. It can be used as a gauge or differential pressure switch with almost no hysteresis. If 2 switch points are required, 2 pressure switches with different calibrations should be employed. The method of fixing the tab terminals to the switch body does not allow for absolute air sealing. The switch is therefore not recommended for applications where static vacuum has to be maintained. However, special models with additional pressure spring which allow for the vacuum to be connected to the pressure inlet side are available on request.
Specification
| Model | LFS-03 |
| Media | Non-hazardous gas only |
| Electrical Function | 1 pole NO or 1 pole NC |
| Electrical Rating | 250mA ,250V(Pmax:2.5bar) |
| Ambient Temperature | -10℃ to +90℃ |
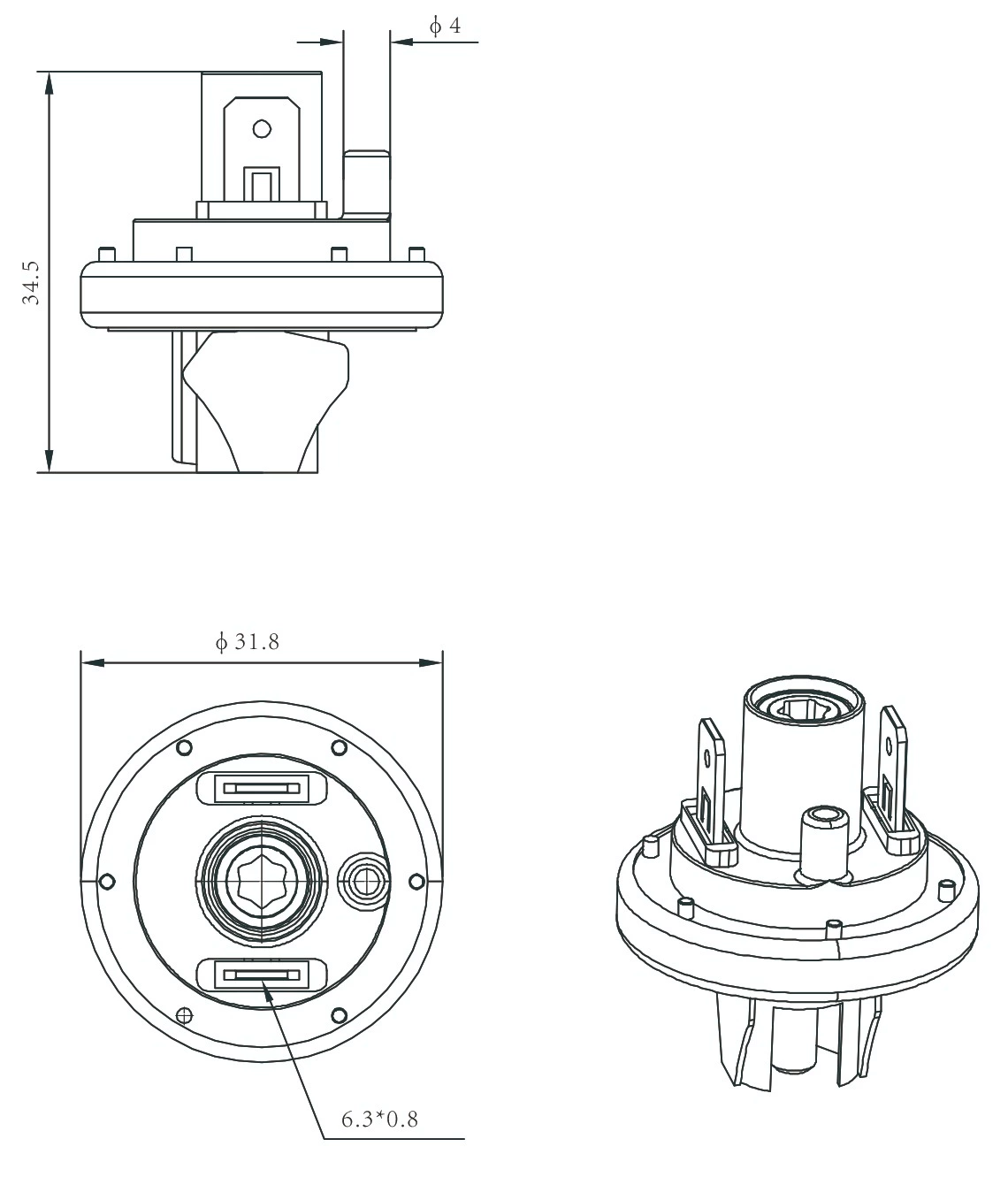
| Termimnal | 4.8mm×0.8mm copper alloy |
| Pressure Range | -15-800mbar |
| Maximum Pressure | 2500mbar |
| Connection | Inlet 4.0mm for tube connection (Threaded inlet M10×1, NPT1/8 or G1/8 Male) |
Dimension(mm)








