XYK-117 electronic water pressure control switch
Feature & Benfits
Automatic Reset
Single-Pole;single throw switch
normally open or normally close
Factory calibrated set point from 5 PSI to 650PSI High cycle life-Proven relability
Custom engineered solutions
Applications: Comperssors & Pumps,Hydraulics
Pneumatics, Engine Controls
Construction Equipment
Agricultural Equipment
Specifications
| Model | XYK-117 |
| Set Point | 5-650psi(Factory Calibrated) |
| Electric Rating | AC120/240V,375VA |
| 120 VAC,5.8FLA-34.8LRA;240VAC,2.9FLA-15LRA | |
| Proof Pressure | 700psi,others are optional |
| Temperature | -20℃-90℃ |
| Contact Material | Ag alloy |
| Connection | See the Order Ref |
| Contact Type | SPST NO or NC |
| Terminal | 6.3 mm Blade |
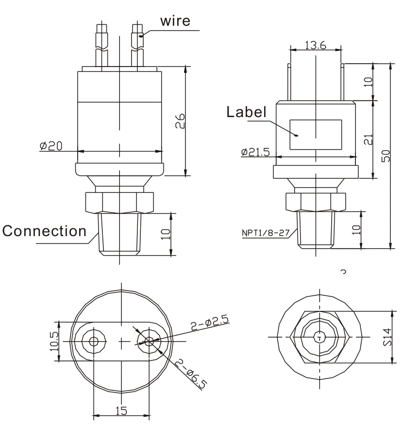
Outline Drawings (Dimension in mm)

Products
- Sensor
-
- Inductive proximity switch
- Capacitive Proximity Sensor
- Ultrasonic Sensor
- Photoelectric Sensor
- Mirror Reflector
- Safety Light Curtains
- Color Mark Sensor
- Fiber Optic Amplifier
- Sensor connector
- HOKUYO Sensor
- Autonics Sensor
- Hall sensor
- Load cell sensor
- Magnetostrictive Position Sensors
- Temperature Sensor
- Rotary Encoder
- Programmable Logic Controller (PLC)
- HMI and Text Panel
- Pneumatic Products
- Slip ring
- New Energy System
- Switch
- Cable Gland
- Fuse
- Socket
- Solid State Relay (SSR)
- Counter
- Switching power supply
- Terminal Blocks
- Warning light
- Pump
- Metal Push Button
- Temperature Controller
- Contactor
- Voltage Meter
- Other Products
- Pneumatic Fittings
- Air Cylinder
- Pneumatic Valve
- Air Tube
- Pneumatic Dust Gun
- Air Source Treatment
- FESTO Pneumatic







