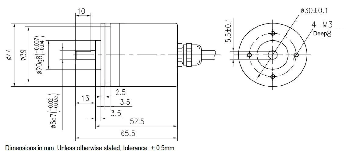
ISN4406 Solid shaft diameter 6mm; outside diameter 44 mm Solid Shaft Incremental Rotary Encoder
- Model:
- ISN4406

Note
1, Please contact sales representative to confirm the correctness and availability of the part number
2, Line Driver is only available with 5V DC option
Feature
A rotary encoder, also called a shaft encoder, is an electro-mechanical device that converts the angular position or motion of a shaft or axle to an analog or digital code.
There are two main types: absolute and incremental (relative). The output of absolute encoders indicates the current position of the shaft, making them angle transducers. The output of incremental encoders provides information about the motion of the shaft, which is typically further processed elsewhere into information such as speed, distance and position.
Application
Rotary encoders are used in many applications that require precise shaft unlimited rotation—including industrial controls, robotics, special purpose photographic lenses,computer input devices (such as optomechanical mice and trackballs), controlled stress rheometers, and rotating radar platforms.
Technical Specifications
| Parameter | Value | Note |
| Supply Voltage | DC5V / 7~24V (±10%) | Max. response frequency is gated by max. rotation speed |
| Max. Response Frequency | 100 kHz | |
| Max. Rotation Speed (*1) | 3000 rpm | |
| Max. Current Consumption | 120mA (Unloaded) | |
| Max. Rise-Fall Time | 200ns (Line Driver) | |
| Max. Rise-Fall Time | 1us (Other Output Mode) | |
| Operating Temperature | -20 ~ 85° C (unfrozen) | |
| Storage Temperature | -20 ~ 85° C (unfrozen) | |
| IP Rating | IP54 | |
Connection Table
| Color of lead Wire | GN | WH | YE | RD | BK | Shield | BN | GY | OG |
| Output-Line Driver | A+ | B+ | Z+ | Vcc | 0V | NC | A- | B- | Z- |
| Output-Other Output | A | B | Z | Vcc | 0V | NC | n/a | n/a | n/a |
Dimensions

Output Waveform
















