
Note
1, Please contact sales representative to confirm the correctness and availability of the part number
2, Line Driver is only available with 5V DC
Technical Specifications
| Parameter | Value | Note |
| Supply Voltage | DC5V / 7~24V (±10%) | Max. response frequency is gated by max. rotation speed |
| Max. Response Frequency | 100 kHz | |
| Max. Rotation Speed (*1) | 3000 rpm | |
| Max. Current Consumption | 120mA (Unloaded) | |
| Max. Rise-Fall Time | 200ns (Line Driver) | |
| Max. Rise-Fall Time | 1us (Other Output Mode) | |
| Operating Temperature | -20 ~ 85° C (unfrozen) | |
| Storage Temperature | -20 ~ 85° C (unfrozen) | |
| IP Rating | IP54 | |
Connection Table
| Signal | A | B | Z | Ā | B(-) | Z(-) | Vcc | GND |
| Color | Green | White | Yellow | Brown | Gray | Orange | Red | Black |
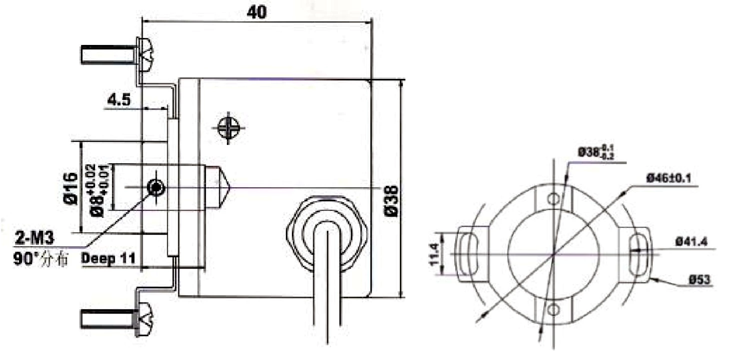
Dimension

Output Waveform

Products
- Sensor
-
- Inductive proximity switch
- Capacitive Proximity Sensor
- Ultrasonic Sensor
- Photoelectric Sensor
- Mirror Reflector
- Safety Light Curtains
- Color Mark Sensor
- Fiber Optic Amplifier
- Sensor connector
- HOKUYO Sensor
- Autonics Sensor
- Hall sensor
- Load cell sensor
- Magnetostrictive Position Sensors
- Temperature Sensor
- Rotary Encoder
- Programmable Logic Controller (PLC)
- HMI and Text Panel
- Pneumatic Products
- Slip ring
- New Energy System
- Switch
- Cable Gland
- Fuse
- Socket
- Solid State Relay (SSR)
- Counter
- Switching power supply
- Terminal Blocks
- Warning light
- Pump
- Metal Push Button
- Temperature Controller
- Contactor
- Voltage Meter
- Other Products
- Pneumatic Fittings
- Air Cylinder
- Pneumatic Valve
- Air Tube
- Pneumatic Dust Gun
- Air Source Treatment
- FESTO Pneumatic











