YMTG-3H3825A Three Phase Energy-saving Power Voltage Regulators with 25A
- Model:
- YMTG-3H3825A
Features
-
two cycles of zero and cycle output
-
regulate smooth, energy saving, load balancing
-
accept voltage or current signal adjustment, can also be manualy adjusted
-
Anti-interference ability, reduce pollutionon the grid
-
adjust the high precision, energy-saving effect is obvious
Product description
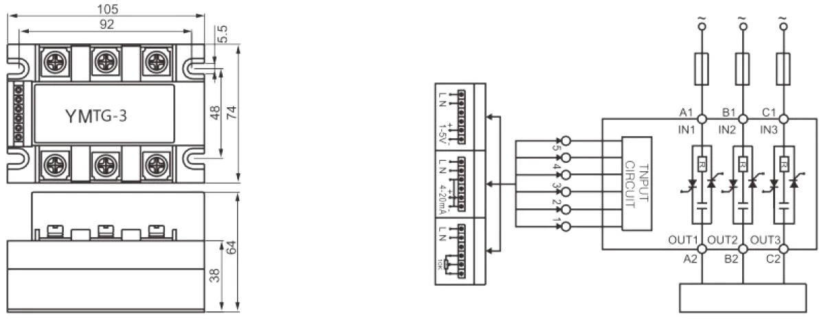
YMTG-3 cycle control power module using large-scale integrated circuits and high-quality electronic components, stable performance, stable output, to accept 1-5V, 2-10V or 4-20mA automatic The input signal can also be manually adjusted with a 10K / 2W potentiometer to generate the corresponding weekly control signal output and smoothly adjust the total power output of the heating load. Due to the current on the load Is a complete sine wave unit and evenly distributed, greatly improving the regulation accuracy, to avoid the chopper (phase shift) voltage regulation caused by the higher harmonics, reduce the pollution of the grid while saving The effect is also obvious. Overcoming the shortcomings of chopping (phase shifting) voltage regulation control on the interference of the grid pollution, at the same time, the power output smoothness is far better than the duty cycle control mode, which is an industrial electric heating Applicationof the ideal control method.
Product current selection
| Nominal current | 10A | 25A | 40A | 60A | 80A | 100A | 120A | 150A |
| Model specifications | YMTG-3H3810A | YMTG-3H3825A | YMTG-3H3840A | YMTG-3H3860A | YMTG-3H3880A | YMTG-3H38100A | YMTG-3H38120A | YMTG-3H38150A |
Dimensions and installation wiring diagram















