E2K-F10MC1 Capacitive Proximity Sensor, E2K-F Series,industrial automation
- Model:
- E2K-F10MC1
◆Introduction
○The mechanical quantity to be measured, such as displacement, pressure change into an electrical capacitance sensor.
Therefore, capacitive sensors can be divided into pole pitch change type, area change type, change the media type categories. Pole pitch change type is generally used to measure the tiny lines or due to force displacement, pressure, vibration caused by the pole pitch changes (see capacitive pressure sensor). Area change type is generally used to measure the angular displacement or larger linear displacement. Change media type commonly used in level measurement and a variety of medium temperature, density determination and humidity.
○The induction surface of capacitance sensor is composed of two coaxial mental electctrodes, which from a capacitor and connected on RC oscillation circuit, just like an open capacitor electrode.
○When connecting to power supply, RC oscillator does not work. When an object is clos eto capacitor
electrode, the capacitor capacity will increase, and the oscillator will vibrate. Through the treatment of behind stage circuit, both signals of stop oscillation and oscillation will be converted to switch signs for checking the existence of object. this distance can be obtained, but to nonmetal object, the action distance is d etermined by material dielectric constant, the more dielectric constant, the more action distance will be obtained.
◆Feature
1. Compact volume
2. high precision of repeated location
3. Diversified exterior structures
4. Good performance of anti-interference.
5. Many output forms
6. High on-off frequency.
7. Wide voltage range
8. Dust proof,vibration proof,water proof and oil proof.
9. With short-circuit protection and inverted connecting protection.
10. Long service life
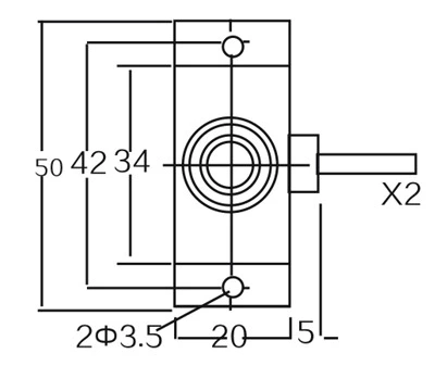
◆Technical Parameter
|
OVERALL DIMENSIONS |
![]() |
|||
| DETECTION DISTANCE | ||||
|
F l u s h |
DC 6- 36 VDC AC 90- 250 VAC |
NPN | NO | |
| NC | ||||
| NO+NC | ||||
| PNP | NO | |||
| NC | ||||
| NO+NC | ||||
|
SCR Control- lable silicon |
NO | |||
| NC | ||||
| DETECTION DISTANCE 0-10mm | ||||
|
F l u s h |
DC 6- 36 VDC AC 90- 250 VAC |
NPN | NO | E2K-F10MC1 |
| NC | E2K-F10MC2 | |||
| NO+NC | E2K-F10MC3 | |||
| PNP | NO | E2K-F10MF1 | ||
| NC | E2K-F10MF2 | |||
| NO+NC | E2K-F10MF3 | |||
|
SCR Control- lable silicon |
NO | E2K-F10MAO | ||
| NC | E2K-F10MAC | |||
| Detectable object’ | conductor and dielectric body | |||
| Consumption current | DC Type: (NPN PNP) DC12V,8mA / 24V,15mA AC Type:10mA orlessDC<15mA、AC<10mA | |||
| Controloutput | DC Type:200mA,AC:Type300mA | |||
| Output voltagc dropDC/AC | DC Type:(NPN PNP)3V or less, AC Type:7V or less DC<3V、AC<7V | |||
| DC/AC Response frequency | DC Type: 50Hz AC Type: 10Hz | |||
| Shell material | ABS Resin Plastic | |||
| Working environment temperature | -25℃~70℃ | |||
| Insulation resistance | 50MΩ | |||
| Protection structure | IEC standard IP54 IECstandard lp54 | |||
| Altemative model at home and abroad | ||||
| Type | Square type Capacitive type Unshielded |
|---|---|
| Sensing distance | 10 mm ±10% |
| Setting distance | 0 to 7.5 mm |
| Differential distance | 15% max. of sensing distance |
| Sensing object | Conductor and dielectrics |
| Standard sensing object | With grounded metal 50 x 50 x 1 mm |
| Response frequency | 100 Hz (Average value) |
| Power source | DC Three-wires models |
| Power supply voltage | 12 to 24 VDC (ripple(p-p) 10% max.) |
| Operating voltage range | 10 to 30 VDC |
| Current consumption | 10 mA max. (at 24 VDC) |
| Control output (Output type) | NPN open collector |
| Control output (Switching capacity) | 100 mA (at 30 VDC) |
| Control output (Residual voltage) | 1.5 V (Load current 100 mA with cable length of 2 m) |
| Indicator | Detection indicator (red) |
| Operation mode | NO |
| Protective circuit | Reverse polarity protection, Surge suppressor |
| Ambient temperature | Operating: -10 to 55 ℃ Storage: -10 to 55 ℃ (no icing) |
| Ambient humidity | Operating: 35 to 95% RH Storage: 35 to 95% RH (no condensation) |
| Temperature influence | ±15% max. of sensing distance in temperature range of -10 to +55 ℃ (As the basis for sensing distance of 23 ℃) |
| Voltage influence | ±2.5% max. of sensing distance in rated voltage range ±10%. (As the basis for sensing distance at standard power voltage) |
| Insulation resistance | Between charged parts and the case: 50 MΩ min. at 500 VDC |
| Dielectric strength | Between charged parts and the case: 500 VAC 50/60 Hz for 1 min |
| Vibration resistance | 10 to 55 Hz, 1.5-mm double amplitude each in X, Y, and Z directions for 2 h |
| Shock resistance | 500 m/s**2, 3 times each in X, Y, and Z directions |
| Degree of protection | IEC: IP66 |
| Connection method | Pre-wired models (Cable length: 2 m) |
| Weight (Packed state) | approx. 35 g |
| Material | Case: Heat-resistant ABS resin Sensing surface: Heat-resistant ABS resin |
| Accessories | Instruction manual |












