1000PPR Hollow Shaft Incremental Rotary Encoder
1.Product Introduction of the 1000PPR Hollow Shaft Incremental Rotary Encoder
Radial cable: G, length of the cable:1M, Line driver output,
pulses:1000ppr, output signal: ABZ, Tz=1T,
supply voltage: DC5-12V, diameter of shaft: 6.35mm

2.Product Parameter(Specification)of the 1000PPR Hollow Shaft Incremental Rotary Encoder
| Electrical Specification | ||||
| Output circuit | Open collector | Voltage output | Push pull output | Line driver output |
| Power Vcc | 5~30 | 5~30 | 5±0.25 5~30 | 5±0.25 5~30 |
| Current | ≤80mA | ≤80mA | ≤80mA | ≤150mA |
| Load current | 40mA | 40mA | 40mA | 60mA |
| High-level output | Min Vcc*70% | Min Vcc-2.5V | Min Vcc-1.5V | Min 3.4V |
| Low-level output | Max 0.4V | Max 0.4V | Max 0.8V | Max 0.4V |
| Rise Time Tr | Max 1us | Max 1us | Max 1us | Max 200ns |
| Fall Time Tr | Max 1us | Max 1us | Max 1us | Max 200ns |
| Max Responding Frequency | 300kHz | 300kHz | 300kHz | 300kHz |
| Mechanical Specification | ||||
| Max speed(r/min) | Starting Torque | Max. Shaft Loading | Shocking | Vibration |
| 6000 | <0.05Nm | Radial:50N, Axial:20N | 50G/11-ms | 10G 10-2000Hz |
| Rotor Inertia | Working Temperature | Storage Temperature | Protection Grade | Weight |
| 4*10-8Kgm2 | -30~85℃ | -35~95℃ | IP51 | 100g |
Output Phase Shift
![]() |
Wave Ratio: a+b=0.5T±0.1T c+d=0.5T±0.1T Z signal Width: Tz=1T±0.5T A,B phase absolute angle deviation ≤0.2T | Periodic Deviation ≤0.05T T=360°/N (N is the exact number of impulse of each spin ) |
Connection Table
| Signal | A | B | Z | A(-) | B(-) | Z(-) | Vcc | GND |
| Color | Green | White | Yellow | Brown | Gray | Orange | Red | Black |
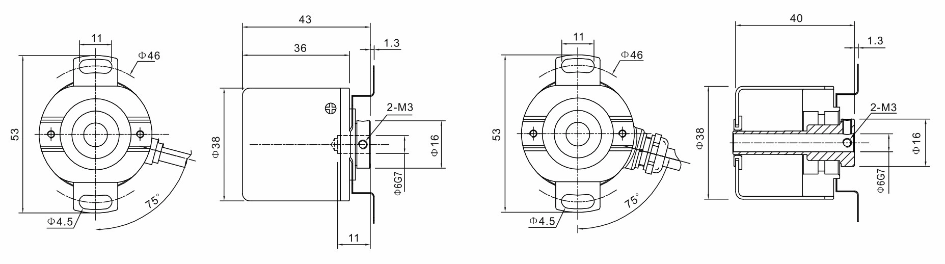
Dimensions(mm)

3. Production Details of the 1000PPR Hollow Shaft Incremental Rotary Encoder

Q 1.How quickly do you respond to the customer?
For before-sales and during-sales, customers will be responded within 1 hour;
for after-sales, 12 hours.
Q 2. What is your terms of payment? A: Full payment. Goods would be shipped in 3-5 work days after payment received, finally depends on quantities.
Q 3. What is your sample policy? A: We can supply the sample if we have ready parts in stock, but the customers have to pay the sample cost andthe courier cost.
Q4.Do you test all your goods before delivery? A: Yes, we have 100% test before delivery
















