IHA6012 ID12mm Hollow Shaft Encoder Incremental Rotary Encoder Hollow with 2M Cable
- Model:
- IHA6012-501C-30BZ1-5-30CP
Application
-
Used in area of automatic control, measurements, robotic X-Y labor and printing and packing.
Features
-
High reliability, long life, strong anti-interference ability and wide range of temperature adaption.
-
Multiple ways of wiring connection.
| Model NO. | IHA6012-501C-30BZ1-5-30CP |
| Supply Voltage | 5-30VDC |
| Output form | Open collector PNP |
| Output singal | A,BZ phase |
| Pulses | 30 P/R |
| Cable lead out | Plug connection at side |
| Protection grade | IP50 |
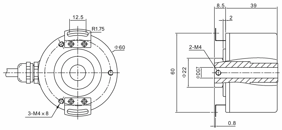
| Housing diameter | 60mm |
| Hollow diameter | 12mm |
Ordering Information

Note
Please contact sales representative to confirm the correctness and availability of the part number.
Technical Specifications
| Electrical Specification | ||||
| Output circuit | Open collector | Voltage output | Push pull output | Line driver output |
| Power Vcc | 5~30 | 5~30 | 5±0.25 5~30 | 5±0.25 5~30 |
| Current | ≤80mA | ≤80mA | ≤80mA | ≤150mA |
| Load current | 40mA | 40mA | 40mA | 60mA |
| High-level output | Min Vcc*70% | Min Vcc-2.5V | Min Vcc-1.5V | Min 3.4V |
| Low-level output | Max 0.4V | Max 0.4V | Max 0.8V | Max 0.4V |
| Rise Time Tr | Max 1us | Max 1us | Max 1us | Max 200ns |
| Fall Time Tr | Max 1us | Max 1us | Max 1us | Max 200ns |
| Max Responding Frequency | 300kHz | 300kHz | 300kHz | 300kHz |
| Mechanical Specification | ||||
| Max speed(r/min) | Starting Torque | Max. Shaft Loading | Shocking | Vibration |
| 6000 | <0.12Nm | Radial:85N, Axial:50N | 50G/11-ms | 10G 10-2000Hz |
| Rotor Inertia | Working Temperature | Storage Temperature | Protection Grade | Weight |
| 4*10-8Kgm2 | -30~85℃ | -35~95℃ | IP50 | 300g |
Connection Table
| Signal | A | B | Z | A(-) | B(-) | Z(-) | Vcc | GND |
| Color | Green | White | Yellow | Brown | Gray | Orange | Red | Black |
Dimensions (mm)
















