52mm NPN output through hole Incremental encoder
Rotary Encoder
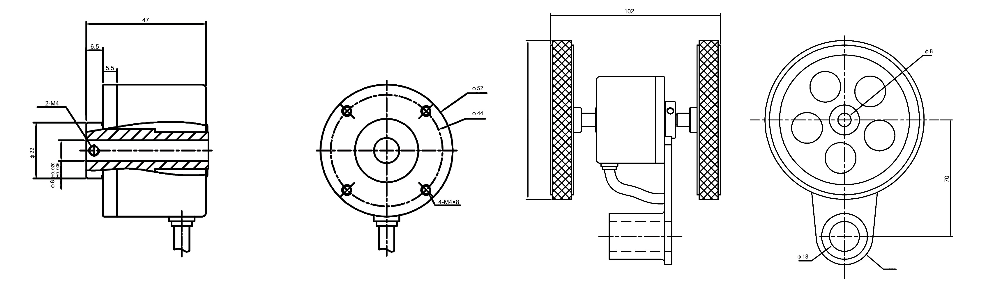
Shaft diameter 8mm, housing diameter 52mm.
High reliability, long life , strong anti-interference ability.
2 orthogonal output channel (A&B) + index signal.
Incremental encoder applications:
Measure the length or speed of target by wheel type, automatic control, robot, X-Y labor, printing, packing machine and etc.
Ordering Information

Note:
1.Please contact sales representative to confirm the correctness and availability of the part number
2.Line Driver is only available with 5V DC option.
Technical Specifications
| Electrical Specification | ||||
| Output circuit | Open collector | Voltage output | Push pull output | Line driver output |
| Power Vcc | 5~30 | 5~30 | 5±0.25 5~30 | 5±0.25 5~30 |
| Current | ≤80mA | ≤80mA | ≤80mA | ≤150mA |
| Load current | 40mA | 40mA | 40mA | 60mA |
| High-level output | Min Vcc*70% | Min Vcc-2.5V | Min Vcc-1.5V | Min 3.4V |
| Low-level output | Max 0.4V | Max 0.4V | Max 0.8V | Max 0.4V |
| Rise Time Tr | Max 1us | Max 1us | Max 1us | Max 200ns |
| Fall Time Tr | Max 1us | Max 1us | Max 1us | Max 200ns |
| Max Responding Frequency | 300kHz | 300kHz | 300kHz | 300kHz |
| Mechanical Specification | ||||
| Max speed(r/min) | Starting Torque | Max. Shaft Loading | Shocking | Vibration |
| 6000 | <0.05Nm | Radial:25N, Axial:15N | 50G/11ms | 10G 10-2000Hz |
| Rotor Inertia | Working Temperature | Storage Temperature | Protection Grade | Weight |
| 4*10-8Kgm2 | -30~85ºC | -35~95ºC | IP51 | 250g |
Connection Table
| Signal | A | B | Z | A(-) | B(-) | Z(-) | Vcc | GND |
| Color | Green | White | Yellow | Brown | Grey | Orange | Red | Black |
Dimensions (mm)

Product Pictures


FAQ:
Q:How to order our product?
A: 1) Please tell us the model and quantity and other request you need.
2) We make the PI for you.
3) After you confirm the PI, we arrange the order for you after receiving your payment.
4) After the goods finished, we send the goods out to you and tell you the tracking number.
5) We will track your goods until you receive the goods.
Q: What's your warranty?
A: One year.
Q: What's your contact information?
A: Our address: Liushi town, Zhejiang province, China.
Q: What's your shipment method?
A: We ship by Express, by air, by sea, by train. Normally we checked and compare, then provide customer the most proper shipment method.
Q: What about MOQ?
A: First order MOQ=1pcs.
Q: If I want to release order, what's the payment method you accept?
A: We accept T/T, Paypal, Western union, L/C.
Q: If I want to release order, what's the process?
A: Thanks. You can send inquiry to us by alibaba, or send us by email, we will reply within 24hrs.
Thank you & Now pls send your kindly inquiry ! ^!^















