Hot Sale 6mm Shaft Diameter 1024ppr Line Drive Output Solid Shaft Rotary Encoder
- Model:
- ISC5806-001G-1024-ABZ1-5/24K
Hot sale 6mm Shaft diameter 1024ppr Line drive output solid shaft Rotary Encoder
Product Description
Application
Automatic control, control of transport vehicles, robot, X-Y labor, printing, fork truck, CNC tooling machine and etc.
Features
High reliability, long life, strong anti-interference ability
2 quadrature output channel (A&B) + index signal
Square flange be used in numerical control machine
| Model NO. | ISC5806-001G-1024-ABZ1-5/24K |
| Shaft diameter | 6mm |
| Output form | Line drive |
| Output signal | A,B,Z A-B-Z phases |
| Housing diameter | 58mm |
| Pulses | 1024P/R |
| Supply voltage | 5-24VDC |
| Load current | 60mA |
| Protection grade | IP51 |
Ordering Information

Technical Specification
| Electrical Specification | ||||
| Output circuit | Open collector | Voltage output | Push pull output | Line driver output |
| Power Vcc | 5~30 | 5~30 | 5±0.25 5~30 | 5±0.25 5~30 |
| Current | ≤80mA | ≤80mA | ≤80mA | ≤150mA |
| Load current | 40mA | 40mA | 40mA | 60mA |
| Max Responding Frequency | 300kHz | 300kHz | 300kHz | 300kHz |
| Mechanical Specification | ||||
| Max speed(r/min) | Starting Torque | Max. Shaft Loading | Shocking | Vibration |
| 6000 | <0.05Nm | Radial:20N, Axial:10N | 50G/11ms | 10G 10-2000Hz |
| Rotor Inertia | Working Temperature | Storage Temperature | Protection Grade | Weight |
| 4*10-8Kgm2 | -30~85ºC | -35~95ºC | IP51 | 270g |
Connection Table
| Signal | A | B | Z | A(-) | B(-) | Z(-) | Vcc | GND | Shielded |
| Color | Green | White | Yellow | Brown | Gray | Orange | Red | Black | Copper net |
| 7Pin Plug | 3 | 5 | 2 | - | - | - | 1 | 4 | 6 |
| 9Pin Plug | 5 | 3 | 2 | 7 | 6 | 8 | 1 | 4 | 9 |
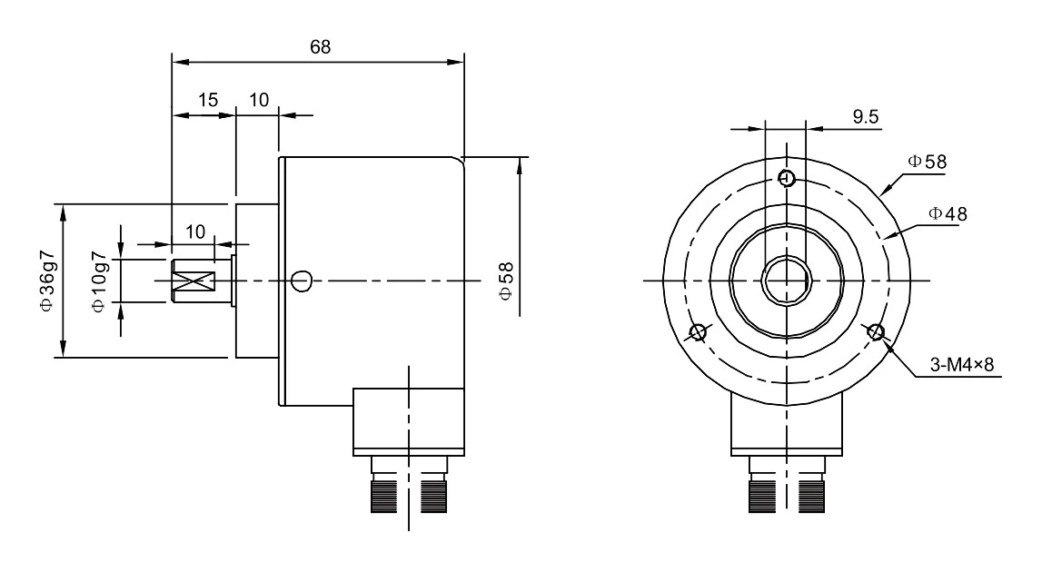
Dimensions(mm)

Product Pictures

















