◆ Application
● Automated measurement and automatic control system . Measure the angular displacement and placed speed. The measured value could be output with naturel binaries by the encoder.
◆ Features
● High strong anti-interference , won’t be affect by power off or system shut off and start
● Dust proof, and moisture proof, high shock and vibration resistance
◆Code specification:

◆Specification parameter:
| code | Bit | Point for Round | Angle Distinguish | Output Code | Carry Direction | Accuracy |
| AHC3808-S01G0013 | 13 | S192 | 360°/213 | Natural binary | shaft and according to the clock wise(CW) | ±15° |
| AHC3808-S01G0012 | 12 | 4096 | 360°/212 | Natural binary | shaft and according to the clock wise(CW) | ±15° |
| AHC3808-S01G0011 | 11 | 2048 | 360°/211 | Natural binary | shaft and according to the clock wise(CW) | ±15° |
| AHC3808-S01G0010 | 10 | 1024 | 360°/210 | Natural binary | shaft and according to the clock wise(CW) | ±15° |
◆Electrical parameters:
| Classification project |
power voltage | Outcoming signal | current consumption | output Waveform | Rise/Fall Time | Response Frequency | Insulation Resistance | ||
| High level(v) | Low level(v) | permissible Injection current | <100mA | <US | 0-1m | >100mΩ | |||
| Absolute Code | 5 | ≥2.5 | ≤1 | mA | |||||
◆CONNECTION TABLE
| Cable color | Red | Bla | Green | White | Yellow | Brown | Grey | orange | Shield |
| Signal(voltage) | Vcc | ov | Clock | Date | Spare | - | - | Spare | shell |
| Signal(Drive TTL) | Vcc | ov | Clock | Date | Spare | - | Spare | shell |
◆Mechanical characteristics:
| Permissible mechanical revolution | Starting torque25° | Axial load | |
| 0-6000r/min | 2×10-3N/m | Axial direction | Radial direction |
| 10N | 20N | ||
◆Environmental parameter:
| Working temperature | Storage temperature | Relative humidity | Shock resistance | Vibration proof |
| -25~80℃ | 30~85℃ | 30~85% | 30m2/s(10-200Hz,x,y,z) | 30m2/s(11ms,x,y,z) |
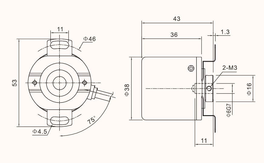
◆Drawing:
















