Application
Industrial tolling machinery , zero correction of printing machinery or signal cutting , numerical control machine and etc
Features
Suitable for manual pulses input type such as CNC or milling machine
High reliability , terminal connection type
Ordering Information

Note:
1, Please contact sales representative to confirm the correctness and availability of the part number
2, Line Drive is only available with 5V DC,12VDC option
Technical Specifications
| Electrical Specification | ||||
| Output circuit | Open collector | Voltage output | Push pull output | Line driver output |
| Power Vcc | 5~30 | 5~30 | 5±0.25 5~30 | 5±0.25 12V |
| Current | ≤80mA | ≤80mA | ≤80mA | ≤150mA |
| Load current | 40mA | 40mA | 40mA | 60mA |
| High-level output | Min Vcc*70% | Min Vcc-2.5V | Min Vcc-1.5V | Min 3.4V |
| Low-level output | Max 0.4V | Max 0.4V | Max 0.8V | Max 0.4V |
| Rise Time Tr | Max 1us | Max 1us | Max 1us | Max 200ns |
| Fall Time Tr | Max 1us | Max 1us | Max 1us | Max 200ns |
| Max Responding Frequency | 10kHz | 10kHz | 10kHz | 10kHz |
| Mechanical Specification | ||||
| Max speed(r/min) | Working Temperature | Storage Temperature | Protection Grade | Weight |
| 600 | -25~70℃ | -30~85℃ | IP50 | 250g |
Connection Table
| Code | 1 | 2 | 3 | 4 | 5 | 6 |
| Line drive output | +5V | 0V | Sigal A | Sigal A(-) | Signal B | Signal B(-) |
| Other output | +5V | 0V | Sigal A | Signal B | - | - |
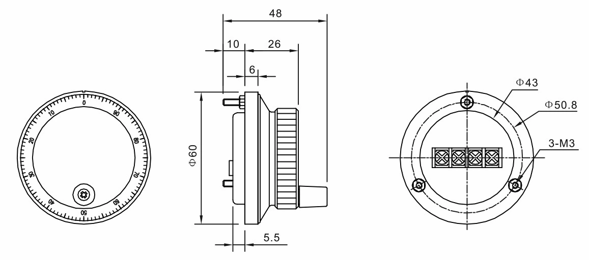
Dimensions(mm)















