YMA600 Hand-Held Pulse Generator MPG Handy Handwheel CNC Pendant Manual Pulse Generator
- Model:
- YMA600

◆Note
1, Please contact sales representative to confrim
The correctness and availability of the part number
2, Line driver only available with 5V DC
◆Technical Specifications
| Parameter | Value | Note |
| Supply Voltage | DC5V / 7~24V (±10%) | Max. response frequency is gated by max. rotationspeed |
| Max. Response Frequency | 20 kHz | |
| Max. Rotation Speed (*1) | 200 rpm | |
| Max. Current Consumption | 120mA (Unloaded / Line Driver) | |
| Max. Current Consumption | 100mA (Unloaded / Other Output) | |
| Max. Rise-Fall Time | 20ns | |
| Operating Temperature | -20 ~ 85° C (unfrozen) | |
| Storage Temperature | -20 ~ 85° C (unfrozen) | |
| Humidity | 30%~85% / no condensation | |
| Vibration | 5G | |
| IP Rating | IP50 |
◆Connection Table
| Output Signal | A+ | B+ | 0V | Vcc | A- | B- |
| Terminal-Line Driver | 1 | 2 | 3 | 4 | 5 | 6 |
| Terminal -Other Output | 1 | 2 | 3 | 4 | n/a | n/a |
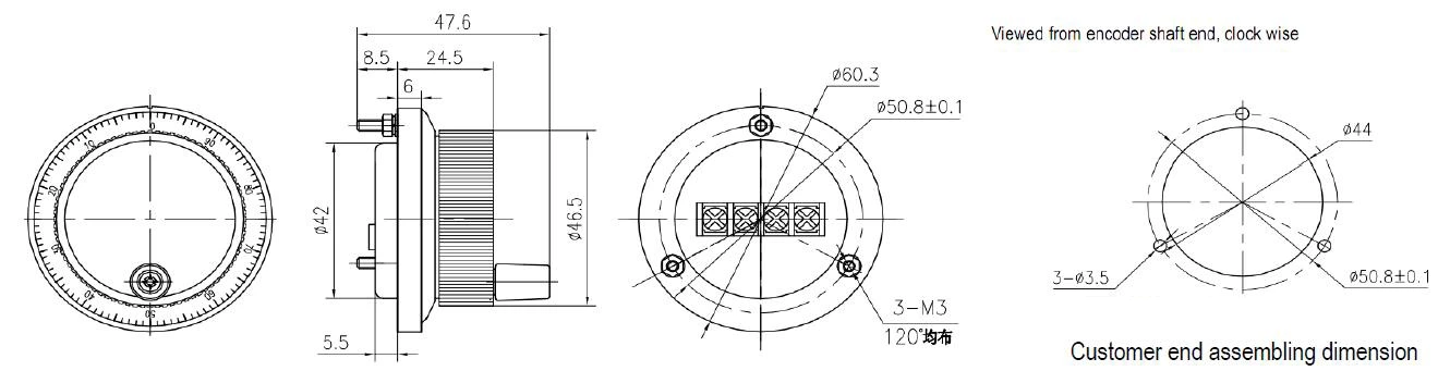
◆Dimension


Products
- Sensor
-
- Inductive proximity switch
- Capacitive Proximity Sensor
- Ultrasonic Sensor
- Photoelectric Sensor
- Mirror Reflector
- Safety Light Curtains
- Color Mark Sensor
- Fiber Optic Amplifier
- Sensor connector
- HOKUYO Sensor
- Autonics Sensor
- Hall sensor
- Load cell sensor
- Magnetostrictive Position Sensors
- Temperature Sensor
- Rotary Encoder
- Programmable Logic Controller (PLC)
- HMI and Text Panel
- Pneumatic Products
- Slip ring
- New Energy System
- Switch
- Cable Gland
- Fuse
- Socket
- Solid State Relay (SSR)
- Counter
- Switching power supply
- Terminal Blocks
- Warning light
- Pump
- Metal Push Button
- Temperature Controller
- Contactor
- Voltage Meter
- Other Products
- Pneumatic Fittings
- Air Cylinder
- Pneumatic Valve
- Air Tube
- Pneumatic Dust Gun
- Air Source Treatment
- FESTO Pneumatic















