YMA600 Voltage output black CNC machine Manual Encoder
Product Description
Application
Industrial tolling machinery , zero correction of printing machinery or signal cutting , numerical control machine and etc
Features
Suitable for manual pulses input type such as CNC or milling machine
High reliability , terminal connection type
Ordering Information

Note:
Please contact sales representative to confirm the correctness and availability of the part number
Line Drive is only available with 5VDC,12VDC option
Technical Specifications:
| Electrical Specification | ||||
| Output circuit | Open collector | Voltage output | Push pull output | Line driver output |
| Power Vcc | 5~30 | 5~30 | 5±0.25 5~30 | 5±0.25 12V |
| Current | ≤80mA | ≤80mA | ≤80mA | ≤150mA |
| Load current | 40mA | 40mA | 40mA | 60mA |
| High-level output | Min Vcc*70% | Min Vcc-2.5V | Min Vcc-1.5V | Min 3.4V |
| Low-level output | Max 0.4V | Max 0.4V | Max 0.8V | Max 0.4V |
| Rise Time Tr | Max 1us | Max 1us | Max 1us | Max 200ns |
| Fall Time Tr | Max 1us | Max 1us | Max 1us | Max 200ns |
| Max Responding Frequency | 10kHz | 10kHz | 10kHz | 10kHz |
| Mechanical Specification | ||||
| Max speed(r/min) | Working Temperature | Storage Temperature | Protection Grade | Weight |
| 600 | -25~70℃ | -30~85℃ | IP50 | 250g |
Connection Table:
| Code | 1 | 2 | 3 | 4 | 5 | 6 |
| Line drive output | +5V | 0V | Signal A | Signal A(-) | Signal B | Signal B(-) |
| Other output | +5V | 0V | Signal A | Signal B | - | - |
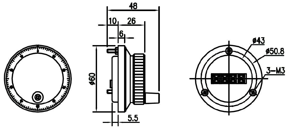
Dimensions(mm)

Product Pictures


FAQ
Q:How to order our product?
A: 1) Please tell us the model and quantity and other request you need.
2) We make the PI for you.
3) After you confirm the PI, we arrange the order for you after receiving your payment.
4) After the goods finished, we send the goods out to you and tell you the tracking number.
5) We will track your goods until you receive the goods.
Q: What's your warranty?
A: One year.
Q: What's your contact information?
A: Our address: Liushi town, Zhejiang province, China.
Q: What's your shipment method?
A: We ship by Express, by air, by sea, by train. Normally we checked and compare, then provide customer the most proper shipment method.
Q: What about MOQ?
A: First order MOQ=1pcs.
Q: If I want to release order, what's the payment method you accept?
A: We accept T/T, Paypal, Western union, L/C.
Q: If I want to release order, what's the process?
A: Thanks. You can send inquiry to us by alibaba, or send us by email, we will reply within 24hrs.
Thank you & Now pls send your kindly inquiry ! ^!^















