6mm Plastic quick encoder coupling
Features
Plastic type;
It can be applied to connect the eccentric shaft, can greatly adjust concentricity;
It can adjust the height of the products in the scope of use.
Technical Specifications
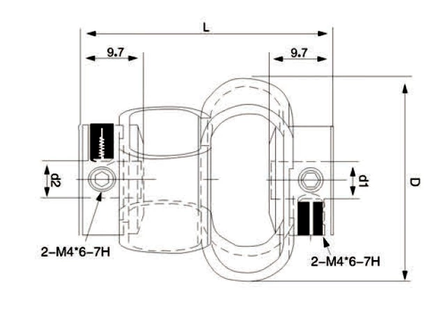
| Project type | d1 Bore | d2 Bore | D | L | M | Rated torque | Max | The eccentric | Work |
| torque | error | ||||||||
| LS | 4-8 | 15 | 30 | M3 | 2 | 3 | 1MM | Synchronous operation | |
| 6-10 | 20 | 40 | M3 | 2 | 3 | 1MM | |||
| 6-10 | 30 | 40 | M3 | 2 | 3 | 1MM | |||
| 6-14 | 40 | 50 | M4 | 3 | 4 | 1MM | |||
| 6-14 | 40 | 60 | M4 | 3 | 4 | 1MM | |||
Mechanical Dimensions(mm)




Products
- Sensor
-
- Inductive proximity switch
- Capacitive Proximity Sensor
- Ultrasonic Sensor
- Photoelectric Sensor
- Mirror Reflector
- Safety Light Curtains
- Color Mark Sensor
- Fiber Optic Amplifier
- Sensor connector
- HOKUYO Sensor
- Autonics Sensor
- Hall sensor
- Load cell sensor
- Magnetostrictive Position Sensors
- Temperature Sensor
- Rotary Encoder
- Programmable Logic Controller (PLC)
- HMI and Text Panel
- Pneumatic Products
- Slip ring
- New Energy System
- Switch
- Cable Gland
- Fuse
- Socket
- Solid State Relay (SSR)
- Counter
- Switching power supply
- Terminal Blocks
- Warning light
- Pump
- Metal Push Button
- Temperature Controller
- Contactor
- Voltage Meter
- Other Products
- Pneumatic Fittings
- Air Cylinder
- Pneumatic Valve
- Air Tube
- Pneumatic Dust Gun
- Air Source Treatment
- FESTO Pneumatic















